МАТЕМАТИКА Ф И З И К А
механика электричество

БАГРУТ

Электростатика Закон Ома Работа тока Магнитное поле Варианты работ


Готовлю к Багруту +(972) 50 912 8978 [email protected]


Об экзамене Литература О сайте Контакты

1. Электрическая цепь (см. рисунок) содержит источник напряжения \(\varepsilon=9 V, \:r=5\Omega,\) два резистора \( R_1=100 \Omega, \: R_2=75\Omega,\) идеальный вольтметр и идеальный амперметр.

a) Найдите внешнее сопротивление цепи.

b) Чему равен ток в цепи.

c) Что показывает вольтметр?

d) Какой заряд проходит через амперметр за 2 минуты?

e) Если подключить вольтметр к клеммам источника, какими будут его показания?

f) Если подключить дополнительныйц резистор параллельно с резистором \(R_1\), как изменятся показания ампермерта и вольтметра?

g) Дан прибор, сопротивление которого зависит от температуры в соответствии с приведенным графиком. Этот прибор подключают вместо резистора \(R_1\), вольтметр показывает напряжение \(5.2V.\) Чему равна температура среды, которая окружает прибор?


2. Электрическая цепь (см. рисунок) содержит источник напряжения \(\varepsilon,\) с внутренним сопротивлением \( \:r,\) резистор \( R_1=4 \Omega\) и подключенный последовательно с ним реостат с максимальным сопротивлением \(24\Omega\).

a) На реостате устанавливают максимальное сопротивление. Как меняется напряжение на клеммах источника и ток в цепи при уменьшении cопротивления реостата?

b) Когда напряжение на клеммах источника равно \(18V\), ток в цепи равен \(1.5A.\) Когда напряжение равно \(16V\), ток равен \(2.5A.\) Чему равны \(\varepsilon,\:r\) источника?

c) Чему равно сопротивление реостата, когда ток в цепи равен \(2.5A\)?

d) Если разорвать цепь, что покажет вольтметр, подключенный к клеммам источника?

e) Собрали новую цепь, в которой реостат подключен к источнику параллельно с сопротивлением \(R_1\). На реостате установили максимальное сопротивление. Чему равно напяжение на клеммах источника?

f) Начинают уменьшать сопротивление реостата. Как меняется при этом напряжение на клеммах источника?

g) Что надо сделать, чтобы напряжение (измеренное с помощью идеального вольтметра) между двумя точками цепи было равно \(\varepsilon\)?

h) Что надо сделать, чтобы напряжение (измеренное с помощью идеального вольтметра) между двумя точками цепи было равно нулю?


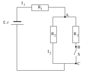
3. Электрическая цепь (см. рисунок) содержит источник напряжения \(\varepsilon,\) с внутренним сопротивлением \( \:r,\) резисторы \( R_1,\:R_2,\:R_3\) и ключ \(S\).

a) Ключ \(S\) замкнут. Выразите ток \(I_2\) и \(\varepsilon\) источника через параметры \(I_1,\:r,\:R_1,\:R_2,\:R_3\).

b) Дано, что \(I_1=3A,\:R_1=3\Omega,\:R_2=8\Omega,\:R_3=4\Omega,\:r=1\Omega\). Найдите \(\varepsilon\) источника и напряжение на клеммах источника.

c) Чему равно падение напряжения на участках \(AB\) и \(BC\)?

d) Чему равен ток через сопротивление \(R_3\)?

e) Если разомкнуть ключ, чему будет равно падение напряжения на участках \(AB,\:BC\) и \(AC\)?

f) Чему равно напряжение на клеммах источника при разомкнутом ключе \(S?\)


4. Электрическая цепь (см. рисунок) содержит два источника напряжения \(\varepsilon_1=12V,\:\:\varepsilon_2=6V,\) с внутренними сопротивлениями \( \:r_1 =r_2=1\Omega,\) резистор \( R=10 \Omega,\) реостат \(R_0,\) идеальный вольтметр и ключ \(K\).

a) Ключ \(K\) разомкнут, на реостате установили сопротивление \(R_0=0\). Какое напряжение показывает вольтметр?

b) Чему равен ток в цепи?

c) Начинают увеличивать сопротивление \(R_0,\) как меняются показания вольтметра?

d) На реостате устанавливают сопротивление \(R_0=3\Omega,\) замыкают ключ \(K\). Чему равен ток через сопротивление \(R?\)

e) Если увеличивать сопротивление реостата, как будет меняться ток через сопротивление \(R?\)

f) Сопротивление \(R\) заменяют на сопротивление \(R_x\). Каким должно быть сопротивление \(R_x,\) чтобы ток через это сопротивление не зависел от сопротивления реостата?

a) \(9V\), b) \(3A,\) c) увеличиваются, d) \(1A,\) e) ток растет, f) \(1\Omega\)


5. Электрическая цепь (см. рисунок) содержит два источника напряжения \(\varepsilon_1=8V,\:\:\varepsilon_2=16V,\) с внутренними сопротивлениями \( \:r_1 =r_2=1\Omega,\) резисторы \( R_1=R_2=3\Omega\) реостат \(R_0,\) и идеальный вольтметр.

a) На реостате установили сопротивление \(R_0=0\). Какое напряжение показывает вольтметр?

b) Чему равен ток через реостат?

c) На реостате установили сопротивление \(R_0=6 \Omega,\) чему равен ток через реостат?

d) Чему равны показания вольтметра?

e) Чему равен ток через сопротивление \(R_1?\)

f) Каким должно быть сопротивление реостата, чтобы ток через сопротивление \(R_1\) не шел?

a) \(12V\), b) \(6A,\) c) \(1.5A\) d) \(1.25V,\) e) \(0.25A\), f) \(4\Omega\)


6. Электрическая цепь (см. рисунок) содержит идеальный источник напряжения \(\varepsilon=30V,\:\) три одинаковых резистора \( R=10\Omega,\) незаряженный конденсатор емкости \(С=10^{-5} F,\) и два разомкнутых ключа.

a) Замыкают ключ \(K_1.\) Чему равен ток через батарею сразу после замыкания ключа?

b) Чему равен ток через батарею и ток через конденсатор, когда напряжение на конденсаторе равно \(U_c=5V\)?

c) Переходной процесс закончился, конденсатор зарядился. Чему равно напряжение на конденсаторе?

d) Теперь замыкают ключ \(K_2.\) Чему равен ток через батарею сразу после замыкания ключа \(K_2?\)

e) В какой-то момент напряжение на конденсаторе стало равно \(U_c=12V.\) Чему равен ток через батарею и ток через конденсатор в этот момент?

f) Переходные процессы в системе закончились. Размыкают ключ \(K_2.\) Как изменится заряд конденсатора?

g) После размыкания ключа \(K_2\) и окончания переходных процессов, размыкают ключ \(K_1.\) Какое количество теплоты выделится в системе?

a) \(I_b=3A\), b) \(I_b=2.5A,\:I_c=2A,\:\) c) \(U_c=15V\) d) \(I_b=1.5A,\) e) \(I_b=1.8A,\:I_c=0.6A\:\), f) вырастет в \(1.5\) раза, g) \(Q=1.125\cdot 10^{-3}J.\)


7. К идеальному источнику с \(\varepsilon=10 V\) подключают резистор с \(R=5\Omega\) и лампочку (нелинейный элемент). Вольт-амперная характеристика лампочки показана на рисунке.

a) Каким будет ток через лампочку, если резистор и лампочка соединены последовательно?

b) Каким будет ток через лампочку, если резистор и лампочка соединены параллельно?

c) К данному источнику подсоединили две таких лампочки и два одинаковых резистора с \(R=2\Omega\) так, как показано на рисунке. Чему равен ток через идеальный амперметр?

d) Чему должно быть равно сопротивление одинаковых резисторов \(R,\) чтобы ток через амперметр не шел?

e) Амперметр в условиях пункта с) заменили на идеальный вольтметр. Чему равен ток через лампочки?

f) Чему равны показания идеального вольтметра?

a) \(1A\), b) \(0.625A,\:\) c) \(1.5A\) d) \(5\Omega,\) e) \(\:1.25A\), f) \(5V.\)